0577-65130099
Product
Current Location:Home》Product》Vane air motor
Product parameters
Operation Data:
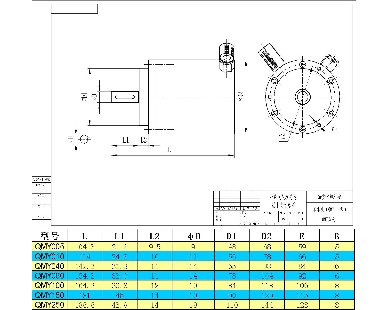
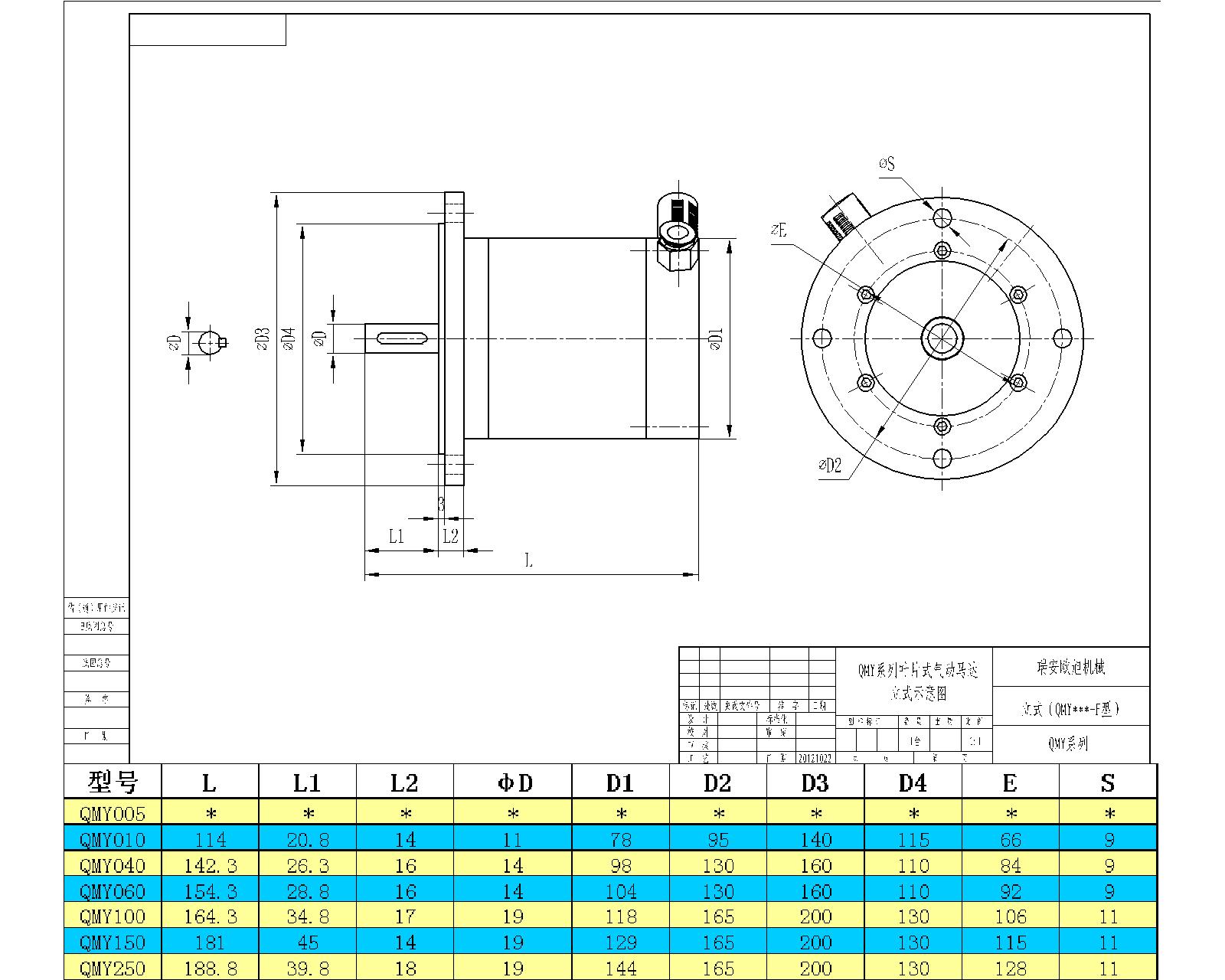
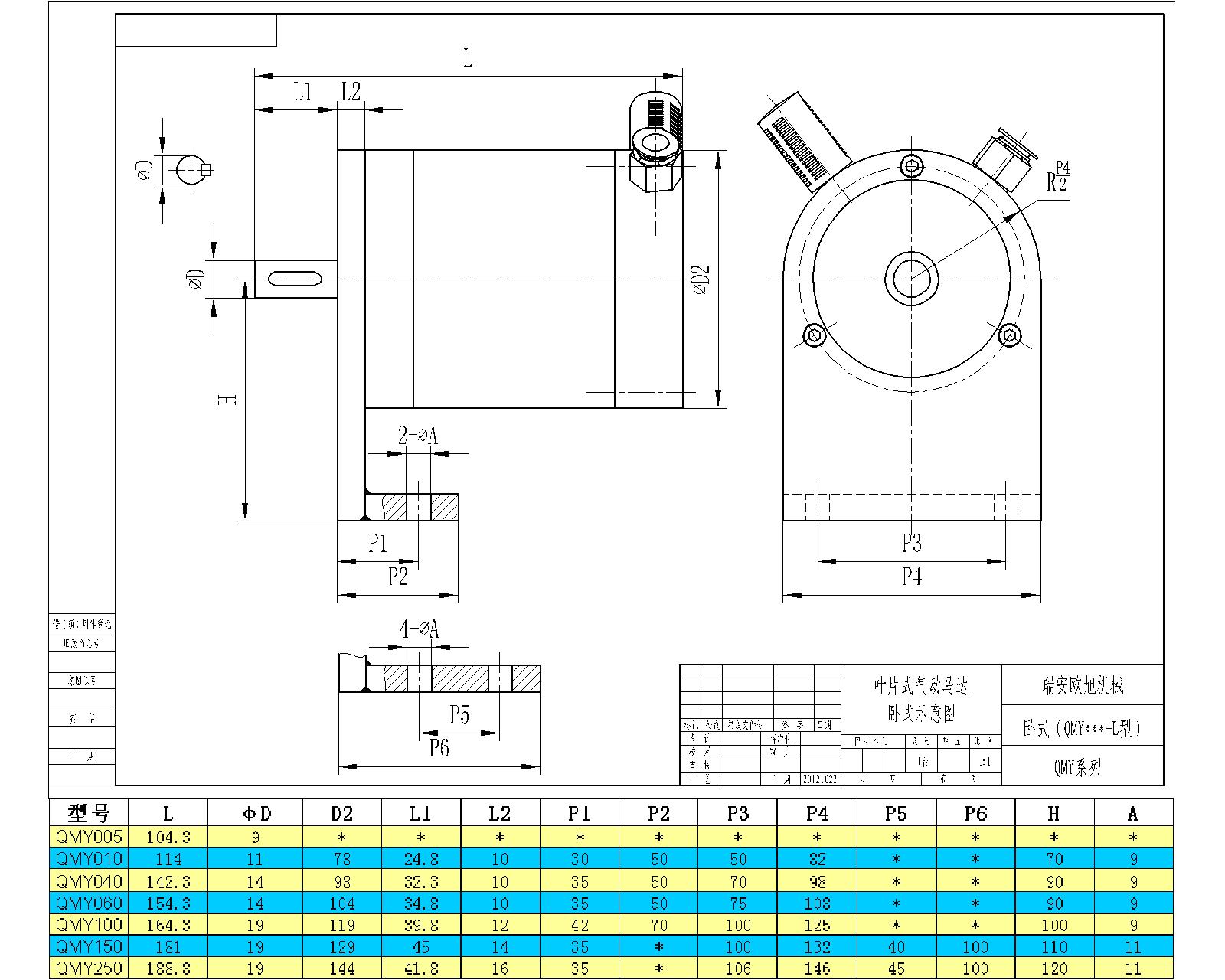
Model
Gear Ratio
Maximum efficacy
Idling
(R.p.m)
Starting Torque
(N.m)
Maximum Torque
(N.m)
Weight(Kg)
Power
(HP)
Torque
(N.m)
Rotate Speed
(R.p.m)
Air Consumption
(L/min)
Basic
Vertical
Horizontal
QMY005
1:1
0.05
0.18
2000
63
3920
0.29
0.36
1.0
1.1
1.4
QMY020
1:1
0.2
0.72
2000
136
3920
1.15
1.44
2.0
2.1
2.6
5:1
3.6
400
800
5.76
7.2
10:1
7.2
200
400
11.52
14.4
15:1
10.8
133
266
17.28
21.6
20:1
14.4
100
200
23
28.8
30:1
21.6
66
132
34.5
43.2
40:1
28.8
50
100
46
57.6
50:1
36
40
80
57.6
72
60:1
43.2
33
66
69
86
QMY040
1:1
0.4
2.03
1400
420
2800
3.25
4.06
4.0
4.2
4.8
5:1
10.15
280
560
16.24
20.3
10:1
20.3
140
280
32.5
40.6
20:1
40.6
70
140
64.9
81.2
30:1
60.9
47
94
97.4
121.8
40:1
81.2
35
70
129.9
162.4
50:1
101.5
28
56
162.4
203
60:1
121.8
23
46
194.8
243.6
80:1
162.4
17.5
36
260
325
100:1
203
14
28
325
406
QMY060
1:1
0.6
3.04
1400
630
2800
4.13
5.16
4.4
4.7
5.5
5:1
15.2
280
560
24.32
30.4
10:1
30.4
140
280
48.64
60.8
20:1
60.8
70
140
97.28
121.6
30:1
91
47
94
145.9
182
40:1
121.6
35
70
194.56
243.2
50:1
152
28
56
243.2
304
60:1
182.4
23
46
291
364
80:1
243.2
17.5
35
389.1
486.4
100:1
304
14
28
486.4
608
QMY100
1:1
1
5.1
1400
1120
2800
8.16
10.2
6.1
6.5
7.0
5:1
25.5
280
560
40.8
51
10:1
51
140
280
81.6
102
20:1
102
70
140
163.2
204
30:1
153
47
94
244.8
306
40:1
204
35
70
326.4
408
50:1
255
28
56
408
510
60:1
306
23
46
489
612
80:1
408
17.5
35
652.8
816
100:1
510
14
28
816
1020
QMY250
1:1
2.5
12.8
1400
2100
2800
20.48
25.6
11.6
12.0
14.2
5:1
64
280
560
102.4
128
10:1
128
140
280
204.8
256
20:1
256
70
140
409.6
512
30:1
384
47
94
614.4
768
40:1
512
35
70
819.2
1024
50:1
640
28
56
1024
1280
60:1
768
23
46
1228
1536
80:1
1024
17.5
35
1638.4
2048
100:1
1280
14
28
2048
2560
QAM150
1:1
1.7
4.1
3000
2200
6000
6.56
8.2
4.9
5.1
5.5
5:1
20.5
600
1200
32.8
41
GAST 4AM
10:1
41
300
600
65.6
82
20:1
82
150
300
131.2
164
30:1
123
100
200
196.8
246
40:1
164
75
150
262.4
328
50:1
205
60
120
328
410
60:1
246
50
100
393
492
80:1
328
37.5
75
524.8
656
100:1
410
30
60
656
820
QAM360
1:1
4
10
3000
3800
6000
16
20
8.5
9.2
9.5
5:1
50
600
1200
80
100
GAST 6AM
10:1
100
300
600
160
200
20:1
200
150
300
320
400
30:1
300
100
200
480
600
40:1
400
75
150
640
800
50:1
500
60
120
800
1000
60:1
600
50
100
960
1200
80:1
800
37.5
75
1280
1600
100:1
1000
30
60
1600
2000
120:1
1200
25
50
1920
2400
150:1
1500
20
40
2400
3000
200:1
2000
15
30
3200
4000
QAM480
1:1
5.25
14.4
2500
4900
3920
23
28.8
11
12
13
5:1
72
500
1000
115.2
144
GAST 8AM
10:1
144
250
500
230.4
288
20:1
288
125
250
460
576
30:1
432
83
166
691
864
40:1
576
62.5
125
921
1152
50:1
720
50
100
1152
1440
60:1
864
41
82
1382
1728
80:1
1152
31
62
1843
2304
100:1
1440
25
50
2304
2880
120:1
1728
20
40
2764
3456
150:1
2160
16.6
33.2
3456
4320
200:1
2880
12.5
25
4608
5760
QAM6
1:1
8
20.1
2800
7080
5600
32.16
40.2
18
QAM7
1:1
9.3
24
2800
8400
5600
38.4
48
23
5:1
120
560
1120
192
240
50
10:1
240
280
560
384
480
20:1
480
140
280
768
960
30:1
720
93
186
1152
1440
40:1
960
70
140
1536
1920
60
50:1
1200
56
112
1920
2400
60:1
1440
46
92
2304
2880
80:1
1920
35
70
3072
3840
100:1
2400
28
56
3840
4800
120:1
2880
23
46
4608
5760
94
QAM9
1
12
34.4
2500
11700
5000
55
68.8
48
QAM14
1
20
56
2500
17400
5000
89.6
112
53



Characteristics of OUXU pneumatic air motors:
1. long time work is not hot, long service life, safety and explosion-proof.
2. the rotational speed is stepless, the speed is controlled by adjusting the size of air pressure or the
size of the air intake.
3. Overload protection, no failure due to overload.
4. With high starting torque, it can be started directly with load.
5. Can Positive inversion.
Next article:QMY