產品展示
當前位置:首頁》產品展示》活塞式氣動馬達
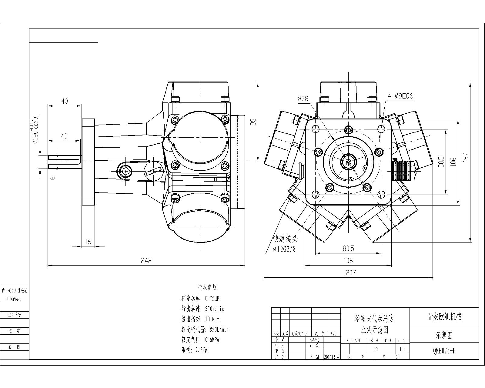
型號:QMH075-F
額定功率:0.75HP
輸出轉速:550 R/pm 可無級調速
空轉:1000Rpm
額定扭矩:10.3N.m
啟動扭矩:17.18N.m
停止扭矩:21.48N.m
額定耗氣量:525Lmin
額定氣壓:0.6MPa
重量:10Kg
產品參數
型號:QMH075-F
安裝尺寸:

材質:①殼體:ZL111鋁合金;②軸承:瑞典進口SKF或德國BEM;③輸出軸(轉子):40CR; ④其他:球墨。
產品描述:QMH075-F活塞式氣動馬達,耗氣量小、轉速較快、扭矩較大、重量輕,具體的參數請看下表;

上一條:QMH075-L
下一條:QMH075-F200